Warning: session_start() [function.session-start]: open(y:/tmp\sess_5924459dafb95c3c3b81836bcbde6e20, O_RDWR) failed: No such file or directory (2) in D:\wwwweb\webjichu\jichua\Kongjin\wwwroot\product.php on line 9

Warning: session_start() [function.session-start]: Cannot send session cookie - headers already sent by (output started at D:\wwwweb\webjichu\jichua\Kongjin\wwwroot\product.php:9) in D:\wwwweb\webjichu\jichua\Kongjin\wwwroot\product.php on line 9

Warning: session_start() [function.session-start]: Cannot send session cache limiter - headers already sent (output started at D:\wwwweb\webjichu\jichua\Kongjin\wwwroot\product.php:9) in D:\wwwweb\webjichu\jichua\Kongjin\wwwroot\product.php on line 9
杭州品进电子科技有限公司|防雷公司|防雷器|防雷产品|浪涌保护器
品进电子
杭州品进电子科技有限公司
电话:0571-82753501
传真:0571-82753501
手机:13819156235徐经理
E-mail:mail@pjdz.net
商务QQ:1282617399
防雷产品

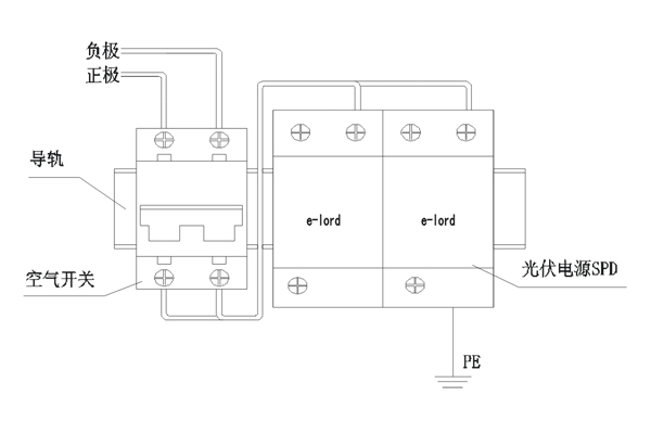
EPPG系列光伏电源浪涌保护器

【产品概述】

  EPPG系列直流光伏电源浪涌保护器是由多个单片式限压单元组成,广泛应用于光伏直流1000V发电系统中,对太阳能电池板,汇流箱、直流配电柜及光伏逆变器等系统配套设备进行雷电感应浪涌防护,能有效防止由雷电感应波和线路浪涌冲击所造成的设备损坏,最大程度的保证了光伏发电系统的稳定性和可靠性,保护光伏系统稳定可靠地运行。

  EPPG系列电源避雷器接线简便,安装方便,安全可靠。具有漏电流小,反应快。保护能力强,可满足高可靠高稳定系统的要求。


【技术参数】


【产品安装示意图】
版权所有:杭州品进电子科技有限公司    浙ICP备17057971号-1
安全联盟
Warning: Unknown: open(y:/tmp\sess_5924459dafb95c3c3b81836bcbde6e20, O_RDWR) failed: No such file or directory (2) in Unknown on line 0

Warning: Unknown: Failed to write session data (files). Please verify that the current setting of session.save_path is correct (y:/tmp) in Unknown on line 0